logo
Shanghai Zhuxin Co., Ltd.
ایمیل Nick.pan@zx-rob.com تلفن: 86-150-2676-7970
خونه > محصولات > دست ربات کاواساکی >
روبات جوشنده 6 محور کاواساکی با بار مفید 6 کیلوگرم
  • روبات جوشنده 6 محور کاواساکی با بار مفید 6 کیلوگرم

روبات جوشنده 6 محور کاواساکی با بار مفید 6 کیلوگرم

Place of Origin Japan
نام تجاری Kawasaki
Model Number RS015X
جزئیات محصول
Type:
BA006N
Application Field:
Two protection welding, argon arc welding, laser welding and other fields
Payload:
6kg
Product Name:
Intelligent Kawasaki Robot Arm 6 Kg BA006N New Arc Welding Robot
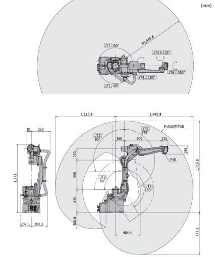
Reach:
1445mm
Weight:
Approx. 150kg
Service:
Free Consultation
Warranty:
1 Year
برجسته کردن: 

ربات جوشکاری بسیار Kawasaki,ربات جوشکاری 6 محوری کاواساکی,6 کیلو وزن ربات جوشکاری کاواساکی

,

6-Axis Kawasaki Welding Robot

,

6kg Payload Kawasaki Welding Robot

شرایط پرداخت و حمل و نقل
Minimum Order Quantity
1PCS
قیمت
قابل مذاکره
Packaging Details
Original package
Delivery Time
5-12WEEKS
Payment Terms
L/C, T/T
توضیحات محصول

توضیحات محصول:


ویژگی ها:

  • نام محصول: بازوی رباتیک هوشمند کاواساکی 6 کیلوگرم BA006N ربات جوشکاری قوس جدید
  • اجزای اصلی: PLC
  • خدمات: مشاوره رایگان برای پشتیبانی فنی ربات جوشکاری Kawasaki
  • فاصله: 1445 میلی متر
  • محل پیدایش: ژاپن

به دنبال یک ربات جوش قابل اعتماد هستید؟ به دنبال ربات جوش Kawasaki BA006N نباشید. ساخته شده در ژاپن و مجهز به یک هسته PLC، این بازوی پیشرفته رباتیک دارای 1445 میلی متر است،که آن را برای طیف گسترده ای از کاربردهای جوش کامل می کندو با مشاوره رایگان در دسترس برای پشتیبانی فنی ربات جوشکاری کاواساکی، می توانید مطمئن باشید که کمک مورد نیاز خود را برای نگه داشتن ربات خود را بدون مشکل در حال اجرا دریافت می کنید.


پارامترهای فنی:

!

کاربردها:

این بازوی هوشمند روبات کاواساکی BA006N به طور خاص برای کاربردهای جوش قوس در صنایع مختلف مانند تولید خودرو و تولید ماشین آلات طراحی شده است.اجزای اصلی این بازوی رباتیک شامل یک کنترل کننده منطقی قابل برنامه ریزی (PLC) است که برای کنترل حرکت بازوی رباتیک استفاده می شودبازوی ربات قادر به حمل حداکثر 6 کیلوگرم است که آن را برای طیف گسترده ای از کاربردهای جوش مناسب می کند.

بازوی رباتیک کاواسکی برای کاربردهای مختلف جوش مناسب است، از جمله جوش خودرو، جوش تولید ماشین آلات و جوش خودکار.بازوی ربات به گونه ای طراحی شده است که کار آن آسان باشد، و می تواند برای انجام طیف گسترده ای از وظایف جوش با دقت و دقت بالا برنامه ریزی شود. این یک ابزار همه کاره است که می تواند برای پروژه های جوش در مقیاس بزرگ و کوچک مورد استفاده قرار گیرد.

بازوی رباتیک کاواسکی یک ابزار قابل اعتماد و کارآمد است که می تواند به افزایش بهره وری در صنایع مختلف کمک کند.که به این معنی است که می توان آن را برای سال های بسیاری بدون تجربه هر گونه سایش قابل توجهی استفاده کردبازوی رباتیک یک سرمایه گذاری عالی برای هر شرکتی است که می خواهد توانایی های جوش خود را بهبود بخشد و بهره وری خود را افزایش دهد.


پشتیبانی و خدمات:

پشتیبانی فنی و خدمات محصول Robot Arm Kawasaki شامل موارد زیر است:

  • خط تماس پشتیبانی فنی 24/7
  • پشتیبانی فنی در محل و رفع مشکل
  • خدمات تعمیر و نگهداری
  • آموزش و آموزش برای اپراتورها، برنامه نویسان و پرسنل تعمیرات
  • به روزرسانی و ارتقاء نرم افزار
  • خدمات مشاوره برای یکپارچه سازی سیستم و سفارشی سازی

بسته بندی و حمل:

بسته بندی محصول:

  • دست ربات کاواساکی به طور امن در یک جعبه کارتونی محکم بسته بندی خواهد شد تا از هر گونه آسیب در طول حمل و نقل جلوگیری شود.
  • جعبه با نام محصول، شماره مدل و دستورالعمل های حمل و نقل برای تحویل ایمن برچسب گذاری خواهد شد.
  • تمام اجزای لازم و لوازم جانبی در بسته قرار خواهند گرفت.

حمل و نقل:

  • بازوي رباتي کاواساکي از طريق يه شرکت قابل اعتماد ارسال ميشه
  • هزینه حمل و نقل بر اساس مقصد و وزن بسته محاسبه می شود.
  • زمان تحویل تخمین زده به مشتری در هنگام سفارش داده خواهد شد.
  • مشتری یک شماره ردیابی برای نظارت بر پیشرفت محموله دریافت می کند.

سوالات متداول:

س: نام تجاری دست ربات چیست؟

A: نام تجاری دست ربات Kawasaki است.

سوال: شماره مدل دست ربات چیست؟

A: شماره مدل دست ربات RS015X است.

سوال: بازوی رباتیک کجا ساخته می شود؟

پاسخ: بازوی رباتیک در ژاپن ساخته شده است.

سوال: حداقل مقدار سفارش برای بازوی رباتیک چیست؟

ج: حداقل مقدار سفارش برای بازوی رباتیک 1PCS است.

سوال: شرایط پرداخت برای خرید بازوی رباتیک چیست؟

ج: شرایط پرداخت برای خرید دست ربات L / C و T / T است.

س: زمان تحویل برای بازوی رباتیک چقدر است؟

ج: زمان تحویل برای بازوی رباتیک 5 تا 12 هفته است.

س: جزئیات بسته بندی برای بازوی رباتیک چیست؟

ج: جزئیات بسته بندی برای بازوی رباتیک بسته بندی اصلی است.

س: قیمت دست ربات چقدر است؟

ج: قیمت بازوی رباتیک قابل مذاکره است.


روبات جوشنده 6 محور کاواساکی با بار مفید 6 کیلوگرم 0

روبات جوشنده 6 محور کاواساکی با بار مفید 6 کیلوگرم 1

روبات جوشنده 6 محور کاواساکی با بار مفید 6 کیلوگرم 2

روبات جوشنده 6 محور کاواساکی با بار مفید 6 کیلوگرم 3

روبات جوشنده 6 محور کاواساکی با بار مفید 6 کیلوگرم 4

محصولات توصیه شده

در هر زمان با ما تماس بگیرید

86-150-2676-7970
اتاق 101، ساختمون ب، جاده 99 دونگژو، منطقه سونگجیانگ، شانگهای چین
درخواست خود را به طور مستقیم به ما بفرستید